| Sign In | Join Free | My insurersguide.com |
|
Brand Name : PRIUS,XINYI or OEM
Model Number : N/M
Place of Origin : Ningbo,China
MOQ : 5pcs
Price : negotiation
Payment Terms : T/T, L/C, Western Union,Paypal
Supply Ability : 20000pcs per month
Delivery Time : 10~15 working days
Packaging Details : bag+box+catons+pallet
name : compact air cylinders
Material : Aluminum Alloy
Design Type : Special
Port Size : G1/4"
Fix Type : with flange
Action Type : Single acting/Double acting
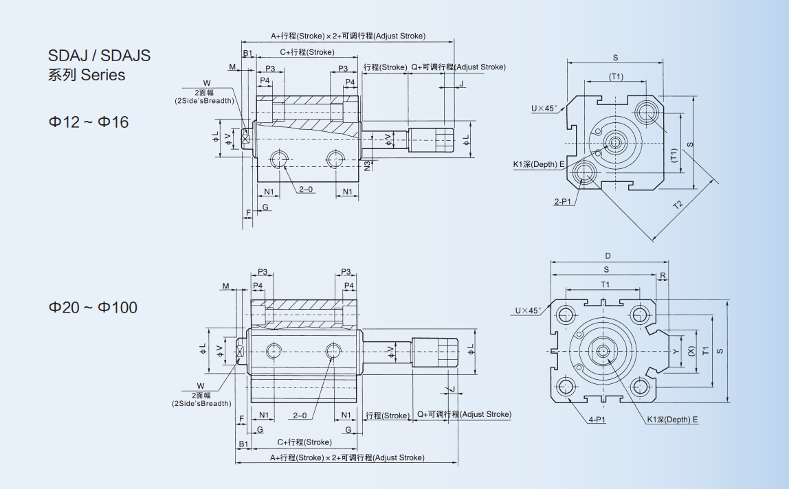
Adjustable Knob with Single or Double Sections barrel Cylinder with Flange
Airtac type aluminum alloy compact SDA double acting Pneumatic air cylinder Bore size 12mm-100mm SDA 20-50-S-F with magnet and rubber buffer
Quick Detail:
* Airtac interchange aluminum alloy compact air cylinder
* Compact and simple design,light weight,cost effective,saving space
* With magnet, rubber cushion keep from impact,long service life,lower noise
* Piston rod #45(ASTM-1045) steel chrome-plated
* Stainless steel piston rod is available
* With self-lubricating bearing,lubrication free
* Bore size12mm, 16mm,20mm,25mm,32mm,40mm,50mm,63mm,80mm,100mm
* Cylinder kits and repair kits, accessories available
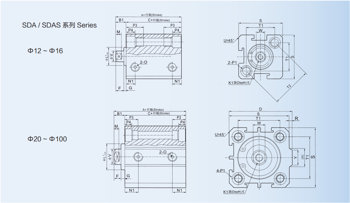
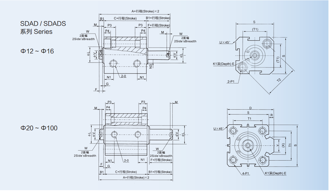
Internal Structure

Stroke

Overall Dimension









|
|
Single / Double Sections Pneumatic Air Cylinder Adjustable Knob With Flange Images |